Witam
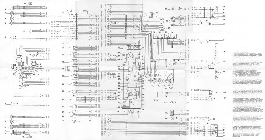
Znalazłem taki schemacik instalacji silnika [dość przystępny] dla Poldka 1.4

oraz tutaj normalny


Wkładam silnik do innego autka niż Poldek, więc o przekładce całej elektryki nie ma mowy [choć możliwe, że by się dało]

.
Mam jednak problemy z rozpoznaniem, co niektórych przewodów, a w/g powyższego schematu nie mam(?) złącza 13-pinowego/-krotnego (266 w/g rys.) oraz centralki elektrycznej (53 w/g rys.).
Tutaj zdjęcia z czym ma problem:
1. Z wiązki od strony skrzyni wychodzi mi podwójny przewód z oczkiem - jest to połączenie altka i rozrusznika?

2. Te dwa złącza przy kompie to kompletnie nie wiem co to (powiedzmy że to od lewej to A, a drugie mniejsze to B):

3. Takie małe 2-pinowe z zieloną uszczelką do czego? (bezwładnościowy?)

Teraz wiązka od przodu silnika.
4. 3-pinowe

5. I kolejny przewód z oczkiem - do cewki?
W/g schematu z pierwszego obrazka, któraś z wtyczek pewnie idzie do skrzynki bezpieczników
PS
Z jakiegoś tam wykształcenia jest elektrykiem, ale nie lubię tej dziedziny :D, wolę mechanikę.